Зуммер-напоминалка для флэшки
USB-флэшки очень удобны для хранения и транспортировки файлов. Они компактные и дешёвые. Наверное, самое раздражающее во флэшках — то, что они постоянно норовят остаться в чужом компьютере. Особенно обидно, когда забываешь флэшку в чужом кабинете или в гостях. Ведь частенько на ней записаны конфиденциальные файлы.
Инженер Eurekaguy нашёл решение проблемы. Он опубликовал подробную инструкцию по сборке колпачка с зуммером для флэшки.
Этот маленький гаджет активируется через 5 минут после того, как из него вынимают флэшку (и, предположительно, вставляют в чужой компьютер). С этого момента он начинает пищать ежеминутно, так что вы никак не забудете заткнуть его назойливый писк вставить в него накопитель.
У колпачка простая и надёжная конструкция. Корпус печатается на 3D-принтере, в нём нужно проделать четыре отверстия диаметром около 1 мм для, чтобы прикасаться проволокой к контактам VCC и GND на флэшке (и, соответственно, определять наличие накопителя).

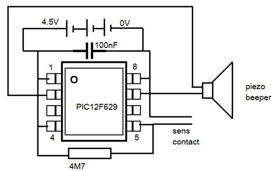
Электроника припаивается по простой схеме, не требуется даже наличие печатной платы.


Как видно на схеме, за подачу сигнала отвечает микроконтроллер PIC12F629. В конструкции используется ещё несколько вспомогательных компонентов, три батарейки AG5 и пьезозуммер диаметром 20 мм. В общем, дёшево и сердито.