Apple опубликовала чертежи iPhone 5S/5C
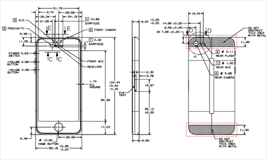
Сегодня компания Apple выложила чертежи iPhone 5S и iPhone 5C для производителей чехлов и других аксессуаров. В данном руководстве максимально подробно описывается и демонстрируется дизайн корпуса новых iPhone.

Например, в iPhone 5C чехол не должен закрывать металлической накладкой верхнюю и нижнюю часть корпуса телефона, т.к. это негативно повлияет на качество связи. В iPhone 5S зона вокруг кнопки Home/Touch ID должна быть немного увеличена.